|
產品分類
氣動閥
電動閥
球閥
蝶閥
風閥
閘截止閥
氣動執行器
電動執行器
電動調節閥
氣動調節閥
氣動元件
Airtorque
i-Tork
SUNYEH
SIRCA
HIGHRATE
SEFORT
VEAPON
|
|
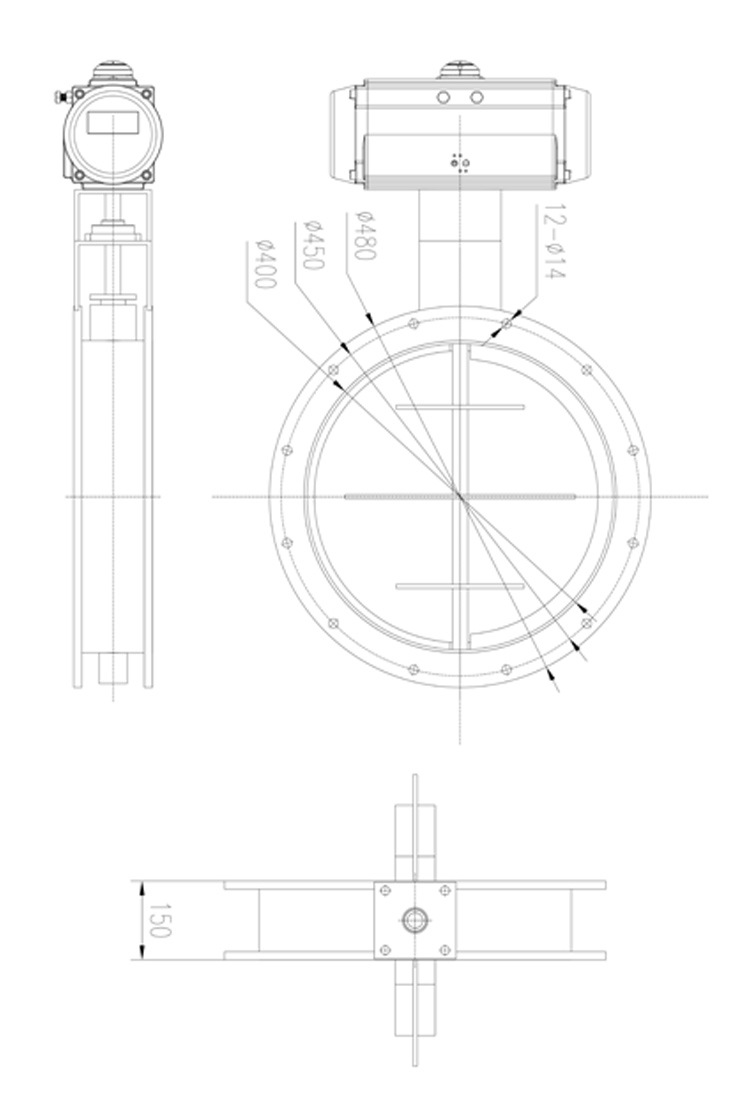
風閥
氣動風閥-圓形
氣缸品牌:HIGHRATE 氣缸形式:雙作用、單作用 閥體材質:碳鋼WCB、304/316 連接方式:法蘭 環境溫度:標準型-20℃~+80℃
QQ:2452931856/2361134893
電話/微信:13390906260
產品細節
1、法蘭連接 碳鋼材質法蘭連接,泄漏率≤1% 2、內部結構 內腔通水冷卻或高溫澆注料或硅酸鋁陶瓷纖維隔熱 3、光滑表面 采用碳鋼材質,尺寸標準,表面光滑 氣動風閥-圓形  
|
|